今天是2026-04-12 您好,欢迎光临马鞍山市华美联轴器有限公司官方网站!

1559815023.png  1063443969@qq.com    1560483934.png  13053202912

全国服务热线

13053202912

1553831173.png

产品中心

PRODUCT CENTER
联系我们

了解更多详细信息,请致电

程经理:13053202912
夏经理:15375551923

或给我们留言

在线留言

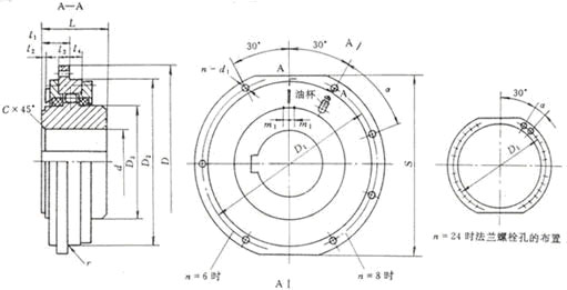
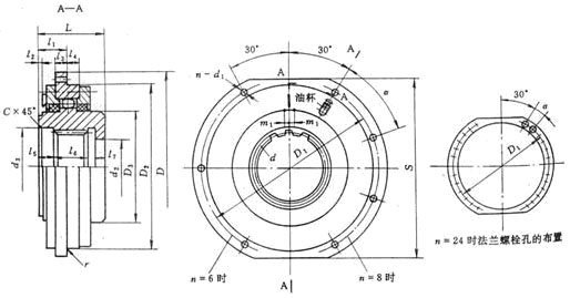
详细说明:

103FA128-0.jpg

103F61617-1.jpg

1035404015-0.jpg

1035402538-1.jpg